Ridică-ți comenzile când vrei tu!
Comandă până la ora 14:00 și expediem astăzi coletul
Produse sigure, fără griji!
Produse nefolosite? Retur fără întrebări!
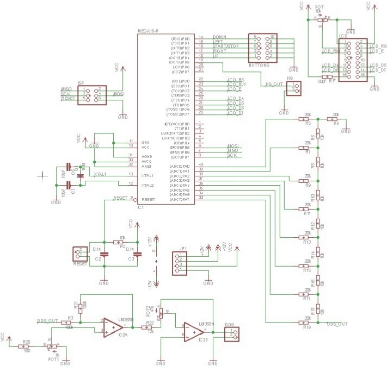
Generator de functii DDS de mare viteza (HS), pentru generarea de frecvente de pana la 8MHz.
Produsul vine sub forma de kit neasamblat.
Tensiune alimentare: +5V / +12V / -12V
Semnal DDS cu amplitudine variabila si offset.
Semnale DDS: sine, square, saw, rev raw, triangle, ECG si noise.
Prevazut cu LCD 1602 si keypad cu 5 butoane
Sensibilitate ajustare frecventa: 1, 10, 1000, 10000mHz
Revenire la ultima setare dupa repornire
2 Output: Un semnal DDS si un semnal HS dreptunghiular
Dimensiuni mm: 80 x 80
ATENTIE! MONTAREA COMPONENTELOR IC, IN MOD SPECIAL IC LM358P, IN SENS INVERS DESENULUI DE PE PLACA DUCE LA DEFECTAREA ACESTORA!
Kiturile sunt garantate pe componente, acestea trebuie măsurate și testate individual înainte de momentul asamblării.
Deoarece asamblarea se face de către personal neautorizat, în condiții necunoscute sau în stadii necunoscute de finalizare, nu ne putem asuma nicio răspundere legală legată de funcționarea dispozitivelor asamblate de către orice terță parte.
Schema electronica:

1x Generator de Functii DDS, Frecventa Reglabila - KIT
Coduri specifice
Aprecierea ta pentru recenzie nu a putut fi trimisa
Reclama un comentariu
Raport trimis
Reclamatia tau nu a putut fi trimisa
Scrie-ti recenzia
Recenzia a fost trimisa
Recenzia ta nu a putut fi trimisa
Cod: RXHZTA_ABA
Producător: GroundStudio
Cod: WGQKIY_MB_MOTOR_DUO
Producător: micro:bit
check_circle
check_circle